镇江市双怡重工科技有限公司欢迎您的到来!

卷筒联轴器

WZL内花键卷筒联轴器

时间:2019年07月03日 来源:不详 作者:佚名

WZL内花键卷筒联轴器

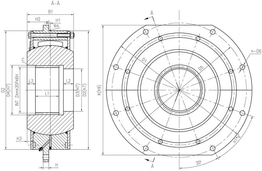
WZL卷筒联轴器 特点及应用场合:适用于起重机、提拔机构的减速器与卷筒的联接及其他类似机构的联接,可传递转矩及支承径向载荷,结构紧凑.工作稳固,可靠。


WZL内花键卷筒联轴器

WZL内花键卷筒联轴器重要参数及尺寸:    mm
 

WZL内花键卷筒联轴器

Copyright © 镇江市双怡重工科技有限公司 All Rights Reserved . 技术支持:江苏易润 苏ICP备18 号