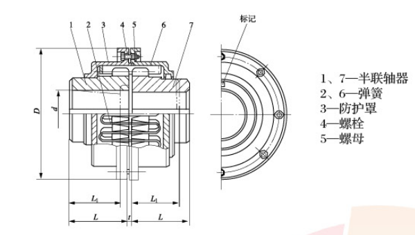
JS型蛇型弹簧联轴器 特点及应用场合:是一种结构先辈的金属弹性联轴器。它靠蛇形弹簧片来传递扭矩。其传动特征与好处如下: 1、减振性好,使用寿命长 联轴器以蛇形弹簧片轴向嵌入两半36%以上。梯形截面的蛇形弹簧片采用优质弹簧钢,经严酷的热处理,并特别加工而成,具有优秀的机械性能,从而使联轴器的使用寿命远比非金属弹性元件联轴器(如弹性套 柱销,尼龙棒销联轴器)大为增加。 2、承受变动载荷范围大,起动安全 两个半联轴器与簧片接触的齿面是弧形的,当传递扭矩增大时,弹簧片将沿齿弧面变形,使两个半联轴器作用在簧片上的力点靠近。簧片与齿面的接触点即力矩的转变,是随着传递扭矩的大小而转变的,它的传动特征是变刚度的。因而它具有比一样平常弹性联轴器能承受更大的载荷变动量。从下图可见,传动力使簧片沿齿弧变形时所产生的缓冲作用,尤其在机器起动时或强力冲击载荷时,于肯定程度上有珍爱配套机件的安全性。 3、 传动服从高,运行可靠 联轴器的传动服从,经测定达99.47%,其短时超载能力为额定扭矩的两倍,运行安全可靠。 4、 噪声低,润滑好 铝合金罩壳以珍爱弹簧避免运转时向外甩出,且壳体内储满黄油,不仅使润滑优秀,而且使簧片啮应时的噪声被黄油阻尼吸取而消弭。 5、 结构简单,装拆方便 整机零件少,体积小,重量轻,被设计成梯形截面的弹簧片与梯形齿槽的符合尤为方便,紧密,从而使装拆,维护比一样平常联轴器简便。 6、 许可有较大的安装误差 因为弹簧片与齿弧面是点接触的,所以使联轴器能获得较大的挠性。它能被安装在同时有径向,角向,轴向的误差情况下正常工作,详细安装误差值见另表
|



