镇江市双怡重工科技有限公司欢迎您的到来!

梅花联轴器

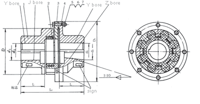
ML LM型梅花形弹性联轴器

时间:2019年07月03日 来源:不详 作者:佚名

ML LM型梅花形弹性联轴器

 ML(LM)型梅花形弹性联轴器 特点及应用场合:具有补偿两轴相对偏移、减振、缓冲性能、径向尺寸小,结构简单、不用润滑、承载能力较高,维护方使、替换弹性元件需轴向移动 (MLS型除外),适用于联接同轴线,起动频繁,正反变化化,中速、中等转矩传动轴系和要求工作可靠性高的工作部位。不适用于重载、低速及轴向尺寸受艰制,替换弹性元件后两轴对中困难的部位。

    ML型--基本型;

    MLL-II型--分体式制动轮型;

    MLL-I型--团体式制动轮型;

    MLZ型--单法兰盘;

    MLS型--双法兰盘;

ML LM型梅花形弹性联轴器

ML LM型梅花形弹性联轴器

Copyright © 镇江市双怡重工科技有限公司 All Rights Reserved . 技术支持:江苏易润 苏ICP备18 号